유압회로 설계 및 제작
유압회로 설계 및 제작은 유체를 이용하여 동력을 전달하는 시스템을 만드는 것을 의미합니다. 이러한 시스템은 운반, 들어올리기, 밀기, 당기기, 회전, 절단, 선반 밀링, 연마 등의 다양한 작업에 사용됩니다.
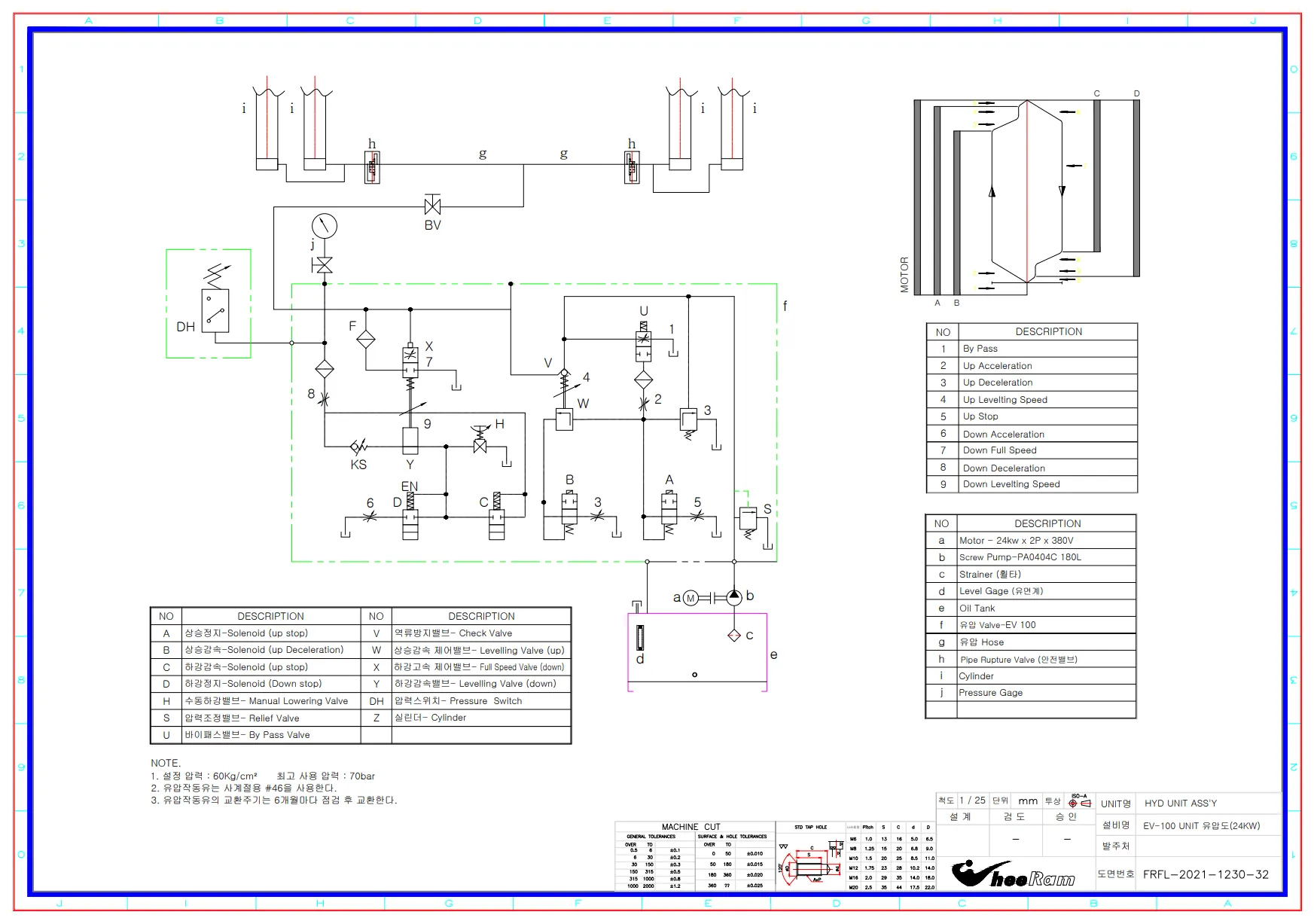
유압 시스템의 기본 구성 요소는 펌프, 저장조, 밸브 및 액추에이터입니다. 이러한 구성 요소는 호스와 파이프로 연결되어 닫힌 회로를 형성합니다. 펌프는 유체를 저장조로 푸시하고, 저장조는 유체를 저장하여 회로에 필요한 양을 유지합니다. 밸브는 유체의 흐름을 제어하고, 액추에이터는 유체의 압력을 이용하여 작동합니다.
유압 회로를 설계하는 첫 번째 단계는 원하는 출력 힘 또는 속도와 같은 시스템 요구 사항을 결정하는 것입니다. 다음으로 적절한 구성 요소가 선택되고 회로가 설계됩니다. 회로가 설계되면 명세에 따라 제작할 수 있습니다.
유압 시스템은 정확하고 안정적인 작동을 위해 유지 보수가 필요합니다. 이는 유체의 수위, 압력, 온도, 필터링 및 청소 등을 포함합니다. 또한 시스템에서 발생하는 소음과 진동, 누출, 부식 및 파손 등의 문제를 감지하고 해결해야 합니다.
유압 시스템은 매우 높은 압력과 유체의 유동성 때문에 위험하며, 안전 대책이 필요합니다. 이는 안전 밸브, 압력 게이지, 청소 및 유지 보수 프로그램, 그리고 작업자 교육을 포함합니다.












